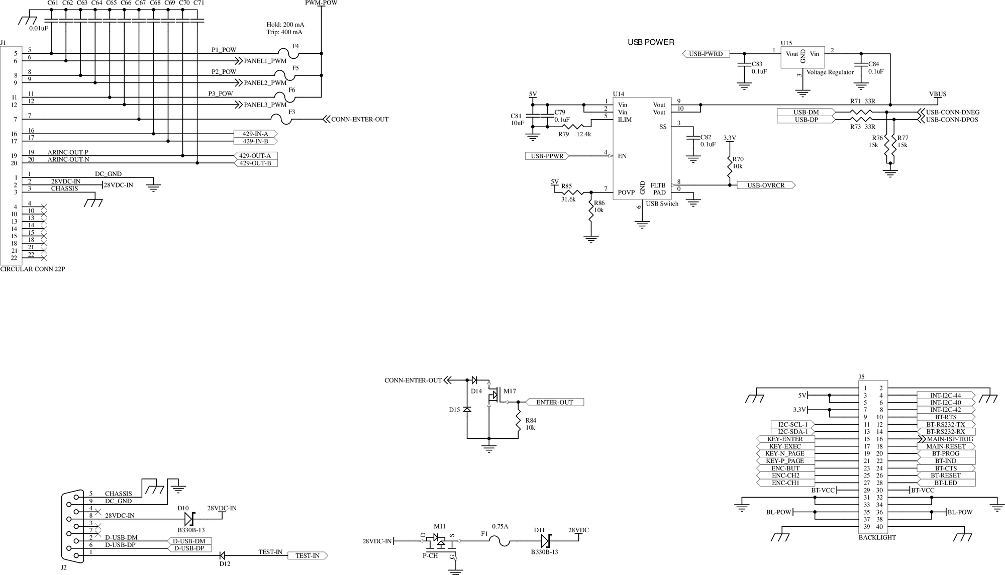
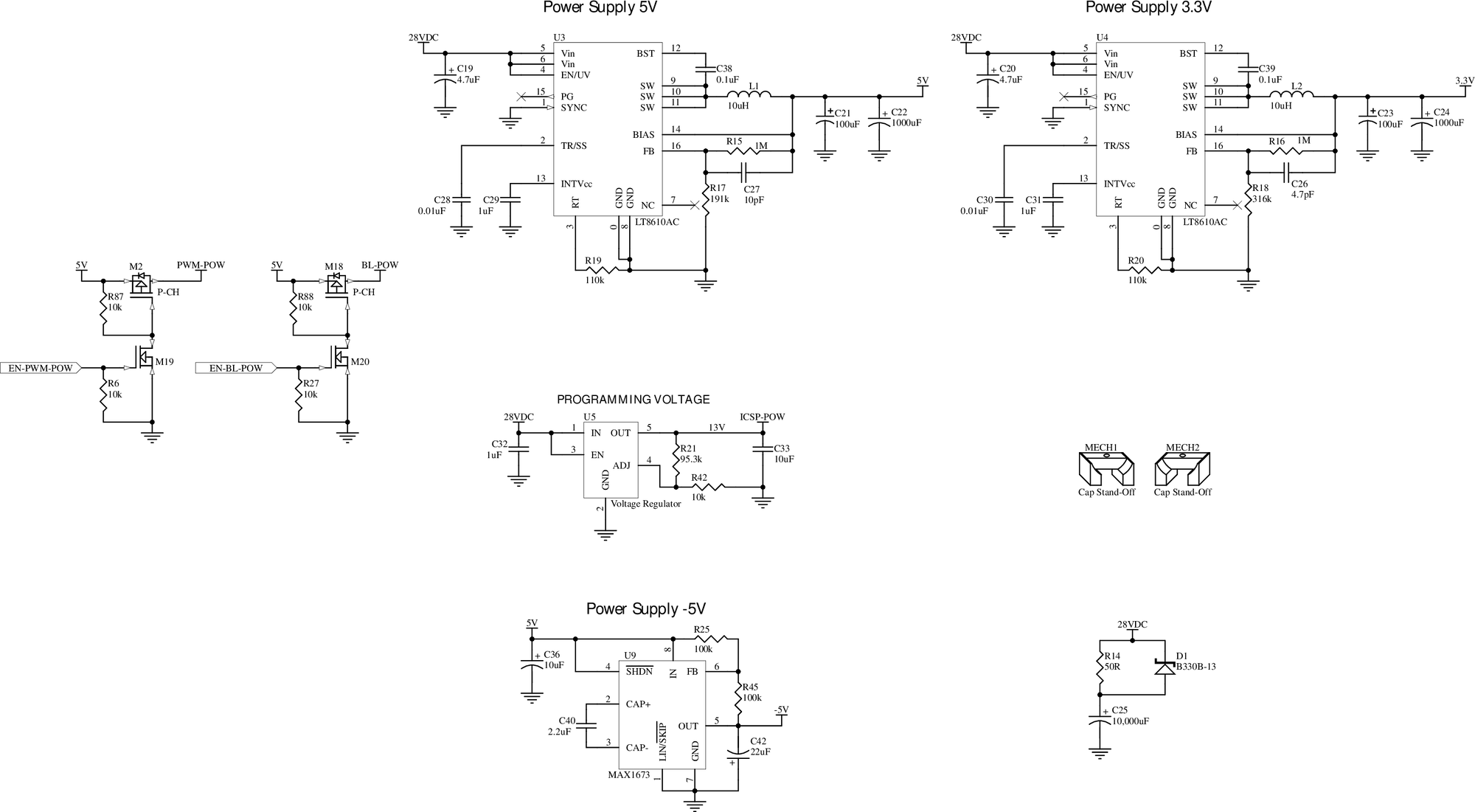
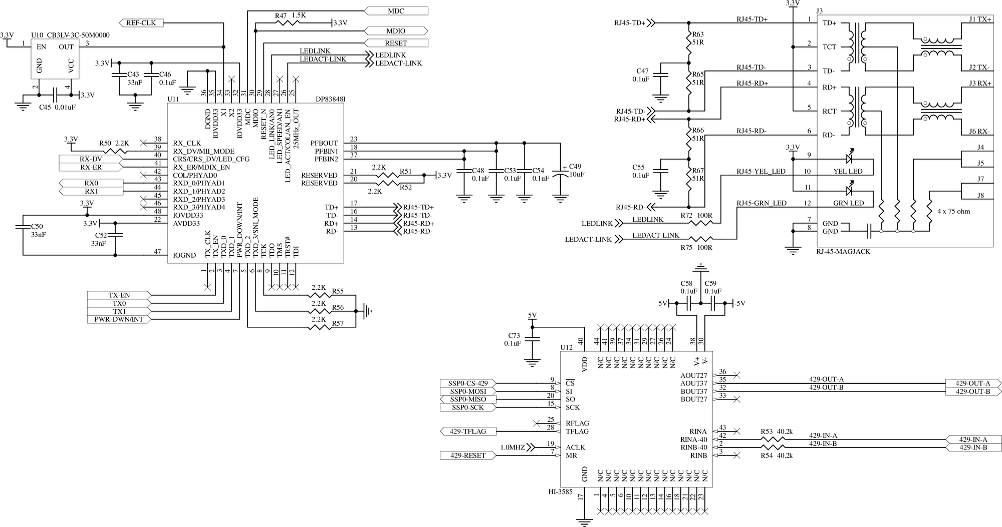
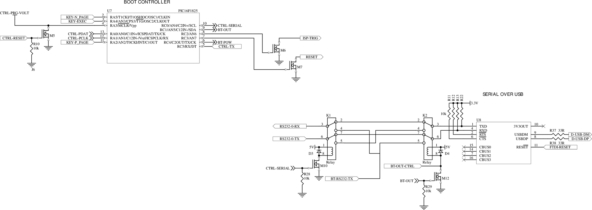
Main Controller BoardFigure 5. Schematic - Main ControllerFigure 6. Schematic - Main Controller (cont.)Figure 7. Schematic - Main Controller (cont.)Figure 8. Schematic - Main Controller (cont.)Figure 9. Schematic - Main Controller (cont.)